Next-gen satellite navigation: unlocking ultra-precision with cutting-edge tracking tech
IMAGE:
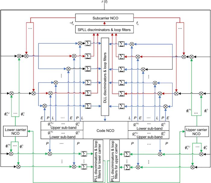
DETAILED TRACKING STRUCTURE OF DMT
view moreCREDIT: SATELLITE NAVIGATION
Researchers have developed a groundbreaking Dual-assisted Multi-component Tracking (DMT) technique that significantly enhances the precision of Global Navigation Satellite Systems (GNSS). This innovation promises to revolutionize satellite navigation by leveraging wideband multiplexed signals for improved accuracy.
The evolution of Global Navigation Satellite Systems (GNSS) has led to the adoption of dual-frequency multiplexing techniques, which combine multiple signals into a single wideband multiplexed signal (WMS). Despite their potential for improving GNSS ranging precision, existing tracking methods have not fully capitalized on this advantage.
On a recently published study (DOI: 10.1186/s43020-023-00125-2) in the journal Satellite Navigation, researchers from Tsinghua University have introduced a transformative Dual-assisted Multi-component Tracking (DMT) method, poised to redefine satellite navigation accuracy. By innovatively employing wideband multiplexed signals, the DMT technique leverages the full spectrum of GNSS signals more effectively than ever before.
Traditional GNSS tracking methods have struggled to harness the full potential of dual-frequency multiplexed signals, primarily used to improve signal robustness and accuracy. The DMT technique, developed by researchers at Tsinghua University, marks a significant advancement for WMS high-precision tracking by developing a comprehensive analysis method that extends the Root Mean Square Bandwidth (RMSB). This approach takes full advantage of the spectrum separation and multi-component characteristics inherent in WMS, enabling more efficient use of signal components for tracking. By employing a dual-assisted structure, the DMT method enhances the tracking accuracy of both lower and upper sub-band components, leading to significant improvements in signal processing. This includes reduced tracking jitters and increased ranging precision, essential for applications demanding high reliability and exactitude in positioning, navigation, and timing.
Dr. Zheng Yao, the study's lead author from Tsinghua University, states, "Our Dual-assisted Multi-component Tracking technique represents a significant leap forward in satellite navigation technology. By fully utilizing the components of WMS, we achieve unparalleled tracking and ranging precision."
The DMT technique revolutionizes GNSS accuracy, harnessing wideband signals to minimize tracking jitter and elevate ranging precision. This leap in satellite navigation benefits industries needing dependable, precise positioning and timing, setting a new standard for technological and industrial applications reliant on GNSS.
###
References
DOI
Original Source URL
https://doi.org/10.1186/s43020-023-00125-2
Funding information
This work is supported by National Natural Science Foundation of China, under Grant No. 42274018, and National Key Research and Development Program of China under Grant No. 2021YFA0716600.
About Satellite Navigation
Satellite Navigation (E-ISSN: 2662-1363; ISSN: 2662-9291) is the official journal of Aerospace Information Research Institute, Chinese Academy of Sciences. The aims is to report innovative ideas, new results or progress on the theoretical techniques and applications of satellite navigation. The journal welcomes original articles, reviews and commentaries.
JOURNAL
Satellite Navigation
SUBJECT OF RESEARCH
Not applicable
ARTICLE TITLE
Dual-assisted high-precision tracking technique for wideband multiplexed signals in new generation GNSS
Satellites for quantum communications
Quantum cryptography across large distances
How can it be ensured that data transmitted through the internet can be read only by the intended recipient? At present our data are encrypted with mathematical methods that rely on the idea that the factorization of large numbers is a difficult task. With the increasing power of quantum computers, however, these mathematical codes will probably no longer be secure in the future.
Encryption by means of physical laws
Tobias Vogl, a professor of Quantum Communication Systems Engineering, is working on an encryption process that relies on principles of physics. “Security will be based on the information being encoded into individual light particles and then transmitted. The laws of physics do not permit this information to be extracted or copied. When the information is intercepted, the light particles change their characteristics. Because we can measure these state changes, any attempt to intercept the transmitted data will be recognized immediately, regardless of future advances in technology,” says Tobias Vogl.
The big challenge in so-called quantum cryptography lies in the transmission of data over long distances. In classical communications, information is encoded in many light particles and transmitted through optical fibers. However, the information in a single particle cannot be copied. As a result, the light signal cannot be repeatedly amplified, as with current optical fiber transmissions. This limits the transmission distance for the information to a few hundred kilometers.
To send information to other cities or continents, the structure of the atmosphere will be used. At altitudes higher than around 10 kilometers, the atmosphere is so thin that light is neither scattered nor absorbed. This will make it possible to use satellites in order to extend quantum communications over longer distances.
Satellites for quantum communications
As part of the QUICK³ mission, Tobias Vogl and his team are developing an entire system, including all of the components needed to build a satellite for quantum communications. In a first step, the team tested each of the satellite components. The next step will be to try out the entire system in space. The researchers will investigate whether the technology can withstand outer space conditions and how the individual system components interact. The satellite launch is scheduled for 2025. To create an overarching network for quantum communications, however, hundreds or perhaps thousands of satellites will be needed.
Hybrid network for encryption
The concept does not necessarily require all information to be transmitted using this method, which is highly complex and costly. It is conceivable that a hybrid network could be implemented in which data can be encrypted either physically or mathematically. Antonia Wachter-Zeh, a professor of Coding and Cryptography, is working to develop algorithms sufficiently complex that not even quantum computers can solve them. In the future it will still be enough to encrypt most information using mathematical algorithms. Quantum cryptography will be an option only for documents requiring special protection, for example in communications between banks.
Publication:
Najme Ahmadi, Sven Schwertfeger, Philipp Werner, Lukas Wiese, Joseph Lester, Elisa Da Ros, Josefine Krause, Sebastian Ritter, Mostafa Abasifard, Chanaprom Cholsuk, Ria G. Krämer, Simone Atzeni, Mustafa Gündoğan, Subash Sachidananda, Daniel Pardo, Stefan Nolte, Alexander Lohrmann, Alexander Ling, Julian Bartholomäus, Giacomo Corrielli, Markus Krutzik, Tobias Vogl. "QUICK3 - Design of a Satellite-Based Quantum Light Source for Quantum Communication and Extended Physical Theory Tests in Space“. Adv. Quantum Technol. (2024). https://doi.org/10.1002/qute.202300343
More information:
- Tobias Vogl was appointed as a professor of quantum communication system engineering at the School of Computation, Information and Technology in July 2023. His research focuses on optical quantum technologies in crystalline solids. In particular, he investigates fluorescent defects in the 2D material hexagonal boron nitride, which are combined with resonant nanostructures and photonic circuits for use as components for quantum information processing and in quantum networks.
- The QUICK³ mission is an international research project involving researchers from the Friedrich Schiller University Jena, the Humboldt University of Berlin, Technische Universität Berlin, Ferdinand-Braun-Institut für Höchstfrequenztechnik, the Institute for Photonics and Nanotechnologies in Italy and the National University of Singapore
JOURNAL
Advanced Quantum Technologies
ARTICLE TITLE
QUICK3 - Design of a Satellite-Based Quantum Light Source for Quantum Communication and Extended Physical Theory Tests in Space
No comments:
Post a Comment